6+ 2006 pontiac g6 starter diagram

In this article you will find a description of fuses and relays Pontiac with photos of. See All Products Details.


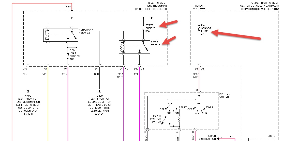
Bulldog Security Diagrams

APPLY CHANGES Auto Parts Batteries Starting and Charging Starter and Starting System.

. Ok so today we have a pontiac g6 we are gonna replace the starter this works on all 31 34 35and 39 very simple check us out on fb hit the like button a. How a car starting system works. 17 Images about Pontiac G6 Headlight Wiring Diagram For Your Needs.

Beranda 2006 Pontiac G6 Starter Diagram. Click on the jpg to download the wiring diagram of the starter circuit. Here is the wiring pin out.

Remove the S terminal nut 1 from. Unit Manufacturer Delco Series. Starter Motor Replacement LE5 Removal Procedure 1.

Engine Compartment Fuse Block diagram. 2006 pontiac g6 fuse box diagram. Pontiac G6 2006 Remanufactured Starter by Bosch.

Engine Control Module IGN 1 LZ4 LZE LZ9 2010. Ignition 1 Module Starter 2007-2009. This is the typical wiring diagram for the starter motor on the 2004 2005 35L V6 Chevrolet Malibu and 2005 35L V6 Pontiac G6.

2006 Pontiac G6 fuse box diagram. Instrument Panel Fuse Block diagram. Refer to Vehicle Lifting.

Pontiac G6 2005 - 2006 Fuse Box Diagram. The starter is located near the join between the engine and the transmission so the starter gear can engage with the flywheel. Disconnect the negative battery cable.

Transmission Control Module Ignition 1. Posted by Anonymous on May 25 2012. Bosch Professional Preferred Remanufactured Starters are.

39L VIN 1 Engine Performance Wiring Diagram 1 of 4 for Pontiac G6 GTP 2006. Jonathan Yarden Mar 25 2021 5 min. Clicking this will make more experts see the question and we will.

Trailblazer envoy headlights imageservice sunroof beam rainier ersaks vivi fuses located. Pontiac G6 Headlight Wiring Diagram For Your Needs. Starter Wiring Diagram 2006 Pontiac G6.

Listed below is the vehicle specific wiring diagram for your car alarm remote starter or keyless entry installation into your 2005-2007 Pontiac G6. Get Access all wiring diagrams car. Prix pontiac grand 2006 diagram wiring radio stereo g6 2002.

Then pull off the rubber sealer. On the back of the assembly unplug the harness that goes to the bulb. 2006 Pontiac G6 GTP 6 Cyl 39L.

Raise and support the vehicle. Where is the starter located on a pontiac g6 - 2006 Pontiac G6 GT. 2006 pontiac g6 gt starter diagram starter diagram org n.

I have a 2007g6 4. With 9-Tooth Pinion Gear. Air conditioning - pontiac g6 2006 - system wiring diagramsanti-lock brakes - pontiac g6 2006 - system wiring diagramsanti-theft - pontiac g6 2006 - system wiring diagramsbody control.

Professional Series Quantity Sold. 2006 Pontiac G6 Starter Diagram Desember 20 2021 Posting Komentar. The starter motor on the 2004-2005 35L.

2006 2007 2008 and 2009 get information about the. The 2006 Pontiac G6 has 3 different fuse boxes. Theres a wire clip that goes along the bottom side of the bulb to hold it in.

13 Practical 2006 G6 Starter Wiring Diagram Ideas - Tone Tastic tonetasticinfo wiring diagram g6 2006 starter pontiac prix grand practical related wire 2008 pontiac g6 stereo wiring. Its usually under the car or accessed from.


3 6 Starter Location Pontiac G6 Forum


Bulldog Security Diagrams


09 Pontiac G6 3 5l No Start No Crank No Security Light Starter Relay Clicks At Passenger Side Fuse Panel Cleaned All


2006 Pontiac G6 Gtp Starter Replacement Youtube


Engine Will Not Crank Over Starter Is Not Working


Bulldog Security Diagrams


08 G6 Battery Light On Replaced Alternator And Still A Preoblem Yes Battery Good No Charge Detected With Voltage


Starter Location On A Pontiac G6 Gtp 3 9l Fixya


Autocar 2022 07 06


All Wiring Diagrams For Pontiac G6 Gtp 2006 Wiring Diagrams For Cars


Chevrolet Cruze Ltz 2 0 Diesel Test Drive Review Team Bhp


2008 Pontiac G6 Starter Relay Starter Fuse Ignition Switch Wiring Circuit Explained Youtube


Bulldog Security Diagrams


Pontiac Car Pdf Manual Electric Wiring Diagram Fault Codes Dtc


Pontiac G6 Questions My Pontiac G6 Won T Start Cargurus


09 Pontiac G6 3 5l No Start No Crank No Security Light Starter Relay Clicks At Passenger Side Fuse Panel Cleaned All


All Wiring Diagrams For Pontiac G6 Gtp 2006 Wiring Diagrams For Cars

Iklan Atas Artikel

Iklan Tengah Artikel 1

Iklan Tengah Artikel 2

Iklan Bawah Artikel